La bomba de aceite de engranajes CB-B10 es un tipo de bomba de engranajes de baja presión de estructuras de 3 piezas sin aparador. No tiene una estructura equilibrada de equipo de compensación de resistencia a la desviación del radio y de separación del eje. Su trabajo depende del principio de sellado de espacios. Este producto tiene una estructura simple, un mantenimiento conveniente y un precio bajo. Se utiliza principalmente en varios sistemas de presión hidráulica y sistemas de transmisión hidráulica de carga baja. La bomba CB-B es una bomba de desplazamiento positivo de engranajes externos, que se utiliza para transferir aceite de 1-8cst. Según el medio, se pueden clasificar en: bomba CB-B de aceite mineral, bomba CB-B de aceite mecánico, bomba CB-B de fueloil . Según su aplicación se pueden clasificar en: máquina herramienta sistema hidráulico bomba CB-B, máquina hidráulica sistema hidráulico bomba CB-B, máquina de proyecto sistema hidráulico bomba CB-B.
Como fuente de energía del sistema, las bombas CB-B se pueden utilizar y clasificar como bomba de transferencia de aceite tipo CB-B, bomba lubricante tipo CB-B, bomba de fueloil tipo CB-B. Todas ellas se utilizan ampliamente en estaciones de aceite lubricante. , metalurgia, minería, petróleo, química, maquinaria textil y otros equipos.
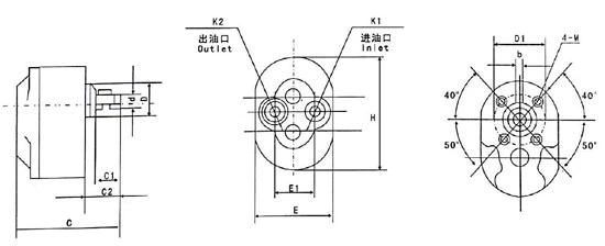
| Modelo | C | mi | h | C 1 | C 2 | D | D1 | d | mi 1 | b | METRO | k 1 | k 2 |
| CB-B2.5 | 79 | sesenta y cinco | 95 | 25 | 30 | Φ35 | Φ 12 | Φ 12 | 35 | 4 | M6 | Z3/8" | Z3/8" |
| CB-B4 | 82 | ||||||||||||
| CB-B6 | 86 | ||||||||||||
| CB-B10 | 94 | ||||||||||||
| CB-B16 | 107 | 86 | 128 | 30 | 35 | Φ 50 | Φ 16 | Φ 16 | 50 | 5 | M8 | Z3/4" | Z3/4" |
| CB-B20 | 111 | ||||||||||||
| CB-B25 | 115 | ||||||||||||
| CB-B32 | 121 | ||||||||||||
| CB-B40 | 132 | 100 | 152 | 35 | 40 | Φ 55 | Φ 22 | Φ 22 | 55 | 6 | M8 | Z1" | Z3/4" |
| CB-B50 | 138 | ||||||||||||
| CB-B63 | 144 | ||||||||||||
| CB-B80 | 158 | 120 | 185 | 43 | 50 | Φ70 | Φ30 | Φ30 | sesenta y cinco | 8 | M8 | Z1 1/4" | Z1" |
| CB-B100 | 165 | ||||||||||||
| CB-B125 | 174 |

| Modelo | C | mi | h | C 1 | C 2 | D | D1 | d | mi 1 | b | METRO | k 1 | k 2 |
| CB-B2.5 | 79 | sesenta y cinco | 95 | 25 | 30 | Φ35 | Φ 12 | Φ 12 | 35 | 4 | M6 | Z3/8" | Z3/8" |
| CB-B4 | 82 | ||||||||||||
| CB-B6 | 86 | ||||||||||||
| CB-B10 | 94 | ||||||||||||
| CB-B16 | 107 | 86 | 128 | 30 | 35 | Φ 50 | Φ 16 | Φ 16 | 50 | 5 | M8 | Z3/4" | Z3/4" |
| CB-B20 | 111 | ||||||||||||
| CB-B25 | 115 | ||||||||||||
| CB-B32 | 121 | ||||||||||||
| CB-B40 | 132 | 100 | 152 | 35 | 40 | Φ 55 | Φ 22 | Φ 22 | 55 | 6 | M8 | Z1" | Z3/4" |
| CB-B50 | 138 | ||||||||||||
| CB-B63 | 144 | ||||||||||||
| CB-B80 | 158 | 120 | 185 | 43 | 50 | Φ70 | Φ30 | Φ30 | sesenta y cinco | 8 | M8 | Z1 1/4" | Z1" |
| CB-B100 | 165 | ||||||||||||
| CB-B125 | 174 |

