Rexroth PV7 – Bombas de paletas variables, pilotadas
La PV7 es una bomba de paletas de desplazamiento variable que se utiliza ampliamente para aplicaciones de baja y media presión en numerosos segmentos del mercado, como las industrias de máquinas herramienta y embalaje. La bomba PV7 utiliza un diseño de cojinete liso y pistones de control pivotantes para proporcionar un producto duradero y de bajo ruido para el mercado hidráulico industrial.

Características
- 8 tamaños de cilindrada que van desde 14-150 cc.
- Todas las bombas se suministran con un eje con capacidad de transmisión que está tapado con una cubierta trasera de aluminio.
- Las bombas PV7 se pueden incorporar en combinaciones con muchos otros productos de Rexroth, incluidas bombas de engranajes internos y externos, bombas de pistones radiales, bombas de paletas fijas y variables y bombas de pistones axiales.
- Hay múltiples opciones de control disponibles, como control de presión, control de flujo, control de descarga de solenoide, controles bloqueables, etc.
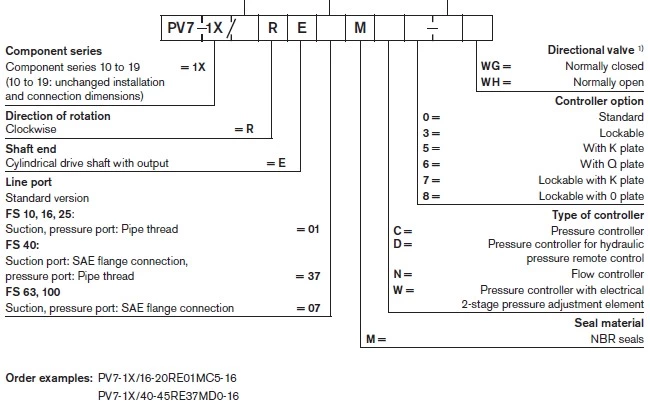
- El diseño del PV7 tiene base europea, piloto de montaje DIN de 4 pernos y eje métrico


La bomba de tipo estándar está disponible:
| R901065655 | PV7-1X/06-10RA01KA0-05 |
| R901047606 | PV7-1X/06-10RA01KA0-10 |
| R900561857 | PV7-1X/06-10RA01MA0-05 |
| R900563233 | PV7-1X/06-10RA01MA0-10 |
| R901026649 | PV7-1X/06-10RA01MA0-10-A441 |
| R900963916 | PV7-1X/06-10RA01MA0-10-A501 |
| R900564746 | PV7-1X/06-10RA01MA3-10 |
| R900936326 | PV7-1X/06-10RE01MA0-05 |
| R900903108 | PV7-1X/06-10RE01MA0-10 |
| R900978121 | PV7-1X/06-10RE01MA3-10 |
| R900919235 | PV7-1X/06-14RA01MA0-04 |
| R900931321 | PV7-1X/06-14RA01MA0-04-A257 |
| R900973306 | PV7-1X/06-14RA01MA0-04-A399 |
| R900919237 | PV7-1X/06-14RA01MA0-07 |
| R900973308 | PV7-1X/06-14RA01MA0-07-A399 |
| R901081778 | PV7-1X/06-14RA01MA0-10-A452 |
| R900952282 | PV7-1X/06-14RA01MA3-07 |
| R900958306 | PV7-1X/06-14RE01MA0-07 |
| R900964375 | PV7-1X/06-14RE01MA3-07 |
| R900506809 | PV7-1X/100-118RE07MC0-16 |
| R900511215 | PV7-1X/100-118RE07MC3-16 |
| R900516546 | PV7-1X/100-118RE07MC5-16 |
| R900950061 | PV7-1X/100-118RE07MC5-16WG |
| R900556803 | PV7-1X/100-118RE07MC5-16WH |
| R900961521 | PV7-1X/100-118RE07MC6-16 |
| R900533637 | PV7-1X/100-118RE07MC7-16 |
| R900532770 | PV7-1X/100-118RE07MD0-16 |
| R900950419 | PV7-1X/100-118RE07MD0-16-A234 |
| R900771631 | PV7-1X/100-118RE07MD0-16-A427 |
| R900949187 | PV7-1X/100-118RE07MD6-16 |
| R900928704 | PV7-1X/100-118RE07MN0-16 |
| R901061279 | PV7-1X/100-118RE07MW0-16WG |
| R900740824 | PV7-1X/100-118RE07MW0-16WH |
| R901129340 | PV7-1X/100-118RE07MW6-16W |
| R901129340 | PV7-1X/100-118RE07MW6-16WH |
| R900568873 | PV7-1X/100-150RE07KC0-08 |
| R900937407 | PV7-1X/100-150RE07KD0-08 |
| R900561846 | PV7-1X/100-150RE07MC0-08 |
| R900560629 | PV7-1X/100-150RE07MC5-08 |
| R900761807 | PV7-1X/100-150RE07MC5-08WG |
| R900948299 | PV7-1X/100-150RE07MC5-08WH |
| R900915470 | PV7-1X/100-150RE07MD0-08 |
| R900910479 | PV7-1X/100-150RE07MD5-08 |
| R900560916 | PV7-1X/10-14RE01KC0-16 |
| R900729468 | PV7-1X/10-14RE01KD0-16 |
| R900580381 | PV7-1X/10-14RE01MC0-16 |
| R900533851 | PV7-1X/10-14RE01MC0-16-A184 |
| R900930060 | PV7-1X/10-14RE01MC0-16-A202 |
| R900941071 | PV7-1X/10-14RE01MC0-16-A267 |
| R900941073 | PV7-1X/10-14RE01MC0-16-A268 |
| R900598753 | PV7-1X/10-14RE01MC3-16 |
| R900520401 | PV7-1X/10-14RE01MC5-16 |
| R900933324 | PV7-1X/10-14RE01MC5-16WH |
| R900509053 | PV7-1X/10-14RE01MC7-16 |
| R900504653 | PV7-1X/10-14RE01MD0-16 |
| R900548512 | PV7-1X/10-14RE01MD0-16-A234 |
| R900520787 | PV7-1X/10-14RE01MD5-16 |
| R900537419 | PV7-1X/10-14RE01MN0-16 |
| R900772792 | PV7-1X/10-14RE01MW0-16 |
| R900916201 | PV7-1X/10-20RE01KC0-10 |
| R900534143 | PV7-1X/10-20RE01MC0-10 |
| R900538125 | PV7-1X/10-20RE01MC3-10 |
| R900738663 | PV7-1X/10-20RE01MC5-10WG |
| R900247239 | PV7-1X/10-20RE01MC5-10WH |
| R900906584 | PV7-1X/10-20RE01MD0-10 |
| R901043560 | PV7-1X/10-20RE01MW0-10WH |
| R900580382 | PV7-1X/16-20RE01MC0-16 |
| R900920233 | PV7-1X/16-20RE01MC0-16-A17 |
| R900517795 | PV7-1X/16-20RE01MC0-16-A184 |
| R900592237 | PV7-1X/16-20RE01MC3-16 |
| R900506473 | PV7-1X/16-20RE01MC5-16 |
| R900926429 | PV7-1X/16-20RE01MC5-16WH |
| R900534412 | PV7-1X/16-20RE01MC7-16 |
| R900509274 | PV7-1X/16-20RE01MD0-16 |
| R900573212 | PV7-1X/16-20RE01MD0-16-A234 |
| R901134661 | PV7-1X/16-20RE01MD6-16 |
| R900939159 | PV7-1X/16-20RE01MN0-16 |
| R900533582 | PV7-1X/16-30RE01MC0-08 |
| R900533296 | PV7-1X/16-30RE01MC3-08 |
| R900245924 | PV7-1X/16-30RE01MC5-08WH |
| R900560658 | PV7-1X/16-30RE01MD0-08 |
| R900562475 | PV7-1X/25-30RE01KC0-16 |
| R900546886 | PV7-1X/25-30RE01KC3-16 |
| R900580383 | PV7-1X/25-30RE01MC0-16 |
| R900586235 | PV7-1X/25-30RE01MC3-16 |
| R900517464 | PV7-1X/25-30RE01MC5-16 |
| R900933323 | PV7-1X/25-30RE01MC5-16WH |
| R900509506 | PV7-1X/25-30RE01MD0-16 |
| R901022287 | PV7-1X/25-30RE01MN0-16 |
| R900768658 | PV7-1X/25-30RE01MW0-16 |
| R900744495 | PV7-1X/25-30RE01MW0-16WH |
| R900534508 | PV7-1X/25-45RE01MC0-08 |
| R900538525 | PV7-1X/25-45RE01MC3-08 |
| R900535532 | PV7-1X/25-45RE01MC5-08 |
| R900576487 | PV7-1X/25-45RE01MC5-08WH |
| R900551273 | PV7-1X/25-45RE01MC7-08 |
| R900751356 | PV7-1X/25-45RE01MC7-08WG |
| R900568833 | PV7-1X/25-45RE01MD0-08 |
| R900976176 | PV7-1X/25-45RE01MN0-08 |
| R900780016 | PV7-1X/25-45RE01MW0-08WH |
| R900523597 | PV7-1X/40-45RE37KC0-16 |
| R900701362 | PV7-1X/40-45RE37KD0-16 |
| R900580384 | PV7-1X/40-45RE37MC0-16 |
| R900946174 | PV7-1X/40-45RE37MC0-16-A276 |
| R901047776 | PV7-1X/40-45RE37MC0-16-A446 |
| R900590087 | PV7-1X/40-45RE37MC3-16 |
| R900935443 | PV7-1X/40-45RE37MC3-16-A184 |
| R900502277 | PV7-1X/40-45RE37MC5-16 |
| R900910016 | PV7-1X/40-45RE37MC5-16WG |
| R900553588 | PV7-1X/40-45RE37MC5-16WH |
| R900954137 | PV7-1X/40-45RE37MC6-16 |
| R900959317 | PV7-1X/40-45RE37MC7-16 |
| R901032005 | PV7-1X/40-45RE37MC7-16WG |
| R900593330 | PV7-1X/40-45RE37MD0-16 |
| R900922602 | PV7-1X/40-45RE37MD0-16-A234 |
| R900979440 | PV7-1X/40-45RE37MW0-16 |
| R901055473 | PV7-1X/40-45RE37MW0-16WG |
| R900700384 | PV7-1X/40-45RE37MW0-16WH |
| R901064326 | PV7-1X/40-55RE37MC0-08-A449 |
| R900535588 | PV7-1X/40-71RE37MC0-08 |
| R900561581 | PV7-1X/40-71RE37MC3-08 |
| R900711250 | PV7-1X/40-71RE37MC5-08WH |
| R900539886 | PV7-1X/40-71RE37MD0-08 |
| R901059512 | PV7-1X/40-71RE37MW0-08WH |
| R900571305 | PV7-1X/63-71RE07KC0-16 |
| R900546887 | PV7-1X/63-71RE07KC3-16 |
| R901021722 | PV7-1X/63-71RE07KW0-16WG |
| R900506808 | PV7-1X/63-71RE07MC0-16 |
| R900720730 | PV7-1X/63-71RE07MC0-16-A234 |
| R901133981 | PV7-1X/63-71RE07MC3-06-A460 |
| R900511986 | PV7-1X/63-71RE07MC3-16 |
| R900518218 | PV7-1X/63-71RE07MC5-16 |
| R900553692 | PV7-1X/63-71RE07MC5-16WG |
| R900942455 | PV7-1X/63-71RE07MC5-16WH |
| R900976100 | PV7-1X/63-71RE07MC6-16 |
| R900705106 | PV7-1X/63-71RE07MC7-16WH |
| R900519094 | PV7-1X/63-71RE07MD0-16 |
| R900925956 | PV7-1X/63-71RE07MD0-16-A234 |
| R900910480 | PV7-1X/63-71RE07MD5-16 |
| R900750169 | PV7-1X/63-71RE07MD6-16 |
| R900744715 | PV7-1X/63-71RE07MN0-16 |
| R900733271 | PV7-1X/63-71RE07MW0-16 |
| R901017159 | PV7-1X/63-71RE07MW0-16WH |
| R900560659 | PV7-1X/63-94RE07MC0-08 |
| R900574560 | PV7-1X/63-94RE07MD0-08 |
| R900950952 | PV7-2X/20-20RA01MA0-05 |
| R900950953 | PV7-2X/20-20RA01MA0-10 |
| R900618143 | PV7-2X/20-20RA01MA0-10-A416 |
| R900755261 | PV7-2X/20-20RA01MA3-05 |
| R900749846 | PV7-2X/20-20RA01MA3-10 |
| R900707372 | PV7-2X/20-20RE01MA0-05 |
| R900707373 | PV7-2X/20-20RE01MA0-10 |
| R900758432 | PV7-2X/20-20RE01MA3-10 |
| R900950954 | PV7-2X/20-25RA01MA0-05 |
| R900950955 | PV7-2X/20-25RA01MA0-10 |
| R900741427 | PV7-2X/20-25RA01MA3-05 |
| R900704549 | PV7-2X/20-25RA01MA3-10 |
| R900707375 | PV7-2X/20-25RE01MA0-10 |



